BT136 ترایاک
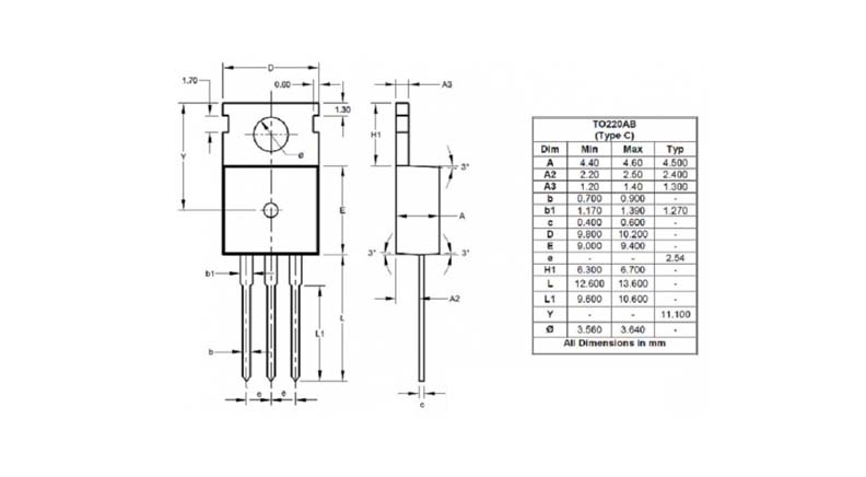
TO-220-3: پکیج
ولتاژ حالت خاموش:600 ولت
ولتاژ محرک گیت: 1.5 ولت
جریان محرک گیت: 35 میلی آمپر
A 4.5 : RMS جریان

Triac Type Standard
Configuration Single
Voltage - Off State 600V
Current - On State (It (RMS)) (Max) 4A
Voltage - Gate Trigger (Vgt) (Max) 1.5V
Current - Gate Trigger (Igt) (Max) 35mA
Current - Hold (Ih) (Max) 15mA
Current - Non Rep. Surge 50, 60Hz (Itsm) 25A, 27A
Mounting Type Through Hole
Package / Case TO-220-3
Packaging Tube
Lead Free Status Lead Free
RoHS Status RoHS Compliant
-
دیتاشیت برای کالا وجود ندارد
ویدیوی برای این کالا وجود ندارد


























