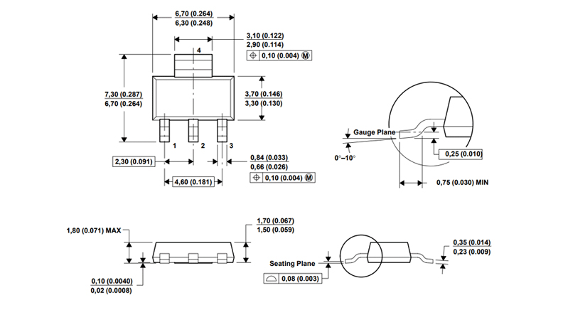
رگولاتور 5 ولت AMS1117 پکیج SOT-223
SOT-223 پیکج
رگلاتور خظی با کیفیت و کارایی بالا
دارای سه ترمنیال ثابت
جریان خروجی 1 آمپر
قابل استفاده درانواع شارژرهای باتری

این رگلاتورها یکی از معرفترین رگلاتورهای با پکیج اس ام دی هستند که در انواع ولتاژ ثابت و متغییر قابل تهییه هستند

دیتاشیت برای کالا وجود ندارد
>
ویدیوی برای این کالا وجود ندارد
×



























